力士樂REXROTH柱塞泵
A2FO90/61R-VPB05是定量柱塞泵,具有固定排量,采用斜軸式結構,工作壓力可以達到很高,峰值壓力可達40Mpa。
力士樂產品特性:
用于開式回路中所有應用領域的標準定量泵
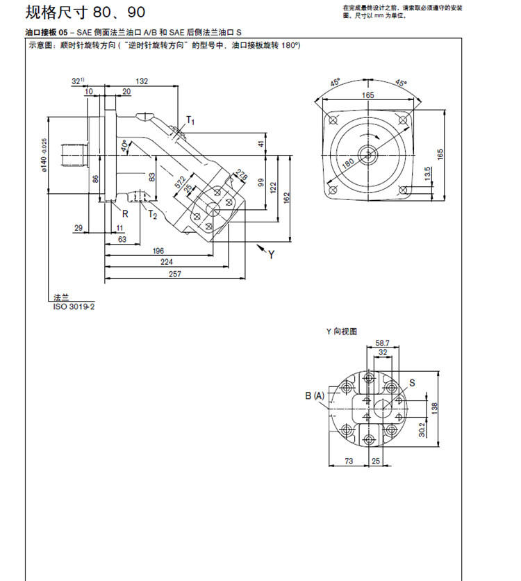
油口都是SAE法蘭或螺紋
軸端由平鍵或花鍵連接
技術參數:
排量規格為90ml/r;
額定壓力35Mpa;
峰值壓力40Mpa;
轉速范圍500-3500r/min;
力士樂柱塞泵A2FO90排量規格的產品型號主要包括:
A2FO90/61R-PAB05 A2FO90/61R-PBB05 A2FO90/61R-PPB05 A2FO90/61R-PZB05
A2FO90/61R-VAB05 A2FO90/61R-VBB05
A2FO90/61R-VPB05 A2FO90/61R-VZB05
A2FO90/61L-PAB05 A2FO90/61L-PBB05 A2FO90/61L-PPB05 A2FO90/61L-PZB05
A2FO90/61L-VAB05 A2FO90/61L-VBB05 A2FO90/61L-VPB05 A2FO90/61L-VZB05





