力士樂
變量柱塞泵A10VSO100DFR1/31R-PPA12N00產品說明:我公司銷售的A10VSO系列柱塞泵可與德國力士樂柱塞泵通用互換,
產品在安裝尺寸,功能,產品性能上均一致,可完全替代REXROTH公司產品。該柱塞泵常用于鍛壓機械、行走機械、礦山機械、船舶
機械等。該泵是壓力、流量控制的柱塞泵,也可作為負載敏感柱塞泵使用,用于實現
負載敏感液壓系統(詳情請咨詢我公司液壓系統工程師)。





柱塞泵
A10VSO100DFR1/31R-PPA12N00型號說明:A10VSO系列,排量為100ml/r,控制方式DFR1代表壓力流量控制,31系列,R代表正旋,
PPA12N00代表平鍵軸非通軸柱塞泵(用戶根據實際可選花鍵軸、通軸產品)。
詳情參考型號定義說明圖:
A10VSO100DFR1/31R-PPA12N00柱塞泵相關型號規格如下:
A10VSO100DFR/31R-PPA12N00(可替代A10VSO100DFR1/31R-PPA12N00型號,帶阻尼選項)
A10VSO100DFR1/31R-PSC12N00(花鍵軸產品)
A10VSO100DFR1/31R-VSC12N00(密封為氟橡膠、花鍵軸柱塞泵產品)
A10VSO100DR/31R-PPA12N00(排量為100,恒壓控制方式的變量柱塞泵)
A10VSO100DFLR/31R-PPA12N00(排量為100,恒功率控制方式的變量柱塞泵)
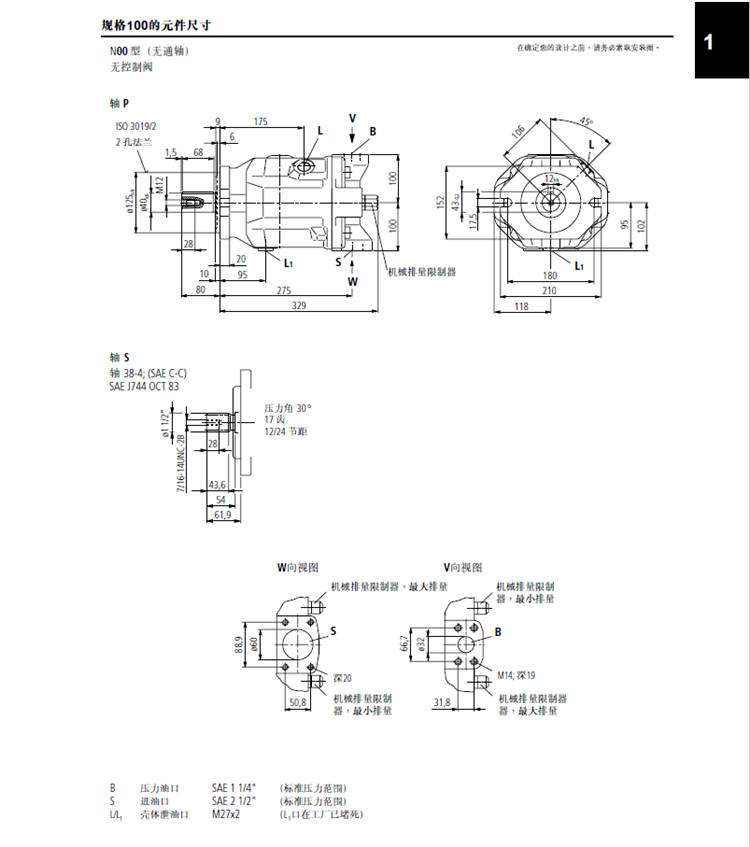
該泵詳細技術參數和安裝尺寸如下:


更多關于力士樂系列變量柱塞泵A10VSO100DFR1相關產品說明,包括選型、價格、產品特性等可聯系我司銷售人員咨詢。