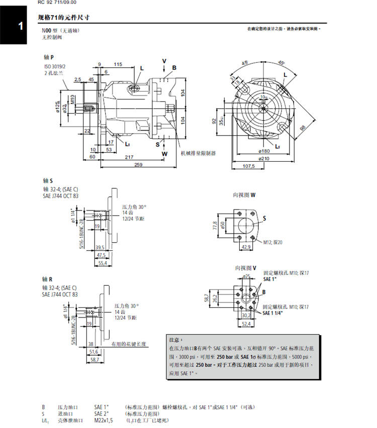
REXROTH系列遠程恒壓變量柱塞泵
A10VSO71DRG/31R-PPA12N00A10VSO71DRG/31R-PPA12N00型號說明:
A10VSO為恒壓
變量柱塞泵的型號;
71代表排量為71ml/r;
DRG代表控制方式為遠程恒壓控制;
31代表系列結構;
R 為順時針轉向(正轉);
P(第一個P)代表軸伸形式為平鍵軸;
P(第二個P)代表產品密封材料丁青橡膠;
12 代表后蓋形式;
N00 代表本產品無通軸選項;
恒壓變量柱塞A10VSO71DRG/31R-PPA12N00相關型號規格如下
A10VSO71DRG/31R-PPA12NOO
A10VSO71DRG/31R-PSC12N00
A10VSO71DRG/31R-VSC12N00
A10VSO71DRG/31R-PSA12N00
A10VSO71DRG/31R-VSA12N00
A10VSO71DRG/31R-PSC12K07
A10VSO71DRG/31R-VSC12K07
A10VSO71DRG/31R-VSA12K01
A10VSO71DR/31R-PPA12N00
L10VSO71DRG/31R-PKC62N00
L10VSO71DRG/31R-PKC12N00
該A10VSO71DRG柱塞泵常用于各類液壓機械、工程機械、礦山機械、冶金機械、煤炭機械、水刀拼花機械,作為液壓系統的油泵,
即動力元件使用。該泵由于工作壓力高,屬于高壓泵類型。在水刀液壓機械或者行走機械使用中,常采用通軸泵(即串聯一個副泵--
齒輪泵作為快慢檔切換或者油缸提升用的動力)。該泵采用遠程恒壓控制,泵的安裝方式,進出油口安裝尺寸可支持SAE標準、DIN
標準、GB標準。





更多關于產品型號、產品性能、產品用途、產品安裝方式、結構尺寸等請聯系我公司銷售人員。